
Válvulas de control direccionales 1/18 con servosolenoide de 4/3-vías REXROTH tipo 4WRLE, accionadas por piloto, con retroalimentación eléctrica de posición y electrónica de a bordo (OBE)
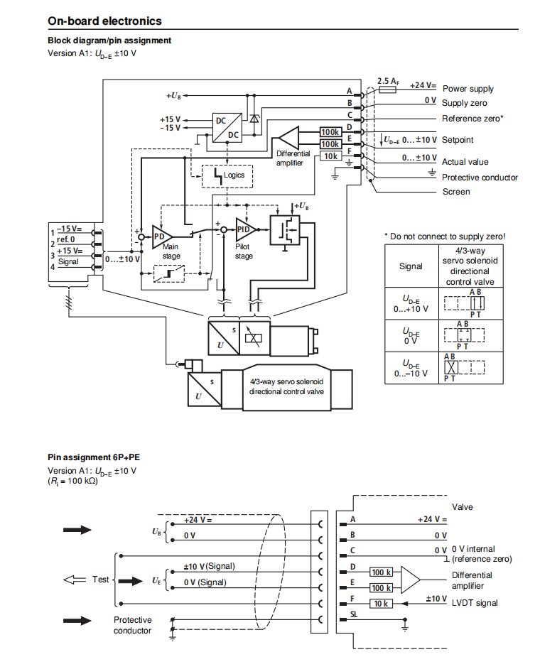
Características– Válvulas de control direccional servoelectrónicas de 4/3-vías accionadas por piloto NG10 a NG35– Válvula piloto NG6, con pistón de control y manguito en calidad servo, accionada por un lado, posición de seguridad 4/4 cuando está apagada– Solenoide de control con respuesta eléctrica de posición y electrónica de a bordo (OBE), calibrado en fábrica– Etapa principal en calidad servo con respuesta de posición– Característica de flujo• M=Progresivo con muesca de dosificación fina• P=Curva no lineal• L=Lineal– Conexión eléctrica 6P+PEEntrada de señal del amplificador diferencial con interfazA1 ±10 V, o interfaz F1 4....20 mA (Rsh=200 Ω) .Tamaños (NG) 4WRLE10, 4WRLE16, 4WRLE25, 4WRLE27, 4WRLE35Unidades serie 3XPresión máxima de trabajo P, A, B 350 bar (NG27: 280 bar)Caudal nominal 40…1000 l/min (Δp=10 bar).

|
Válvulas de control direccionales 1/18 de servosolenoide de 4/3-vías REXROTH tipo 4WRLE, operado por piloto, con respuesta eléctrica de posición y electrónica de a bordo (OBE) |














Etiqueta: Válvulas de control direccionales de 1/18 servosolenoide de 4/3-vías tipo rexroth, operadas por piloto, con retroalimentación eléctrica de posición y electrónica integrada (obe)

