
REXROTH E-3SE6 W-3SE6 E-4SE6 W-4SE6 3/Válvula de asiento direccional 2 y 4/2, con funcionamiento por solenoide, para agua Emulsiones y agua
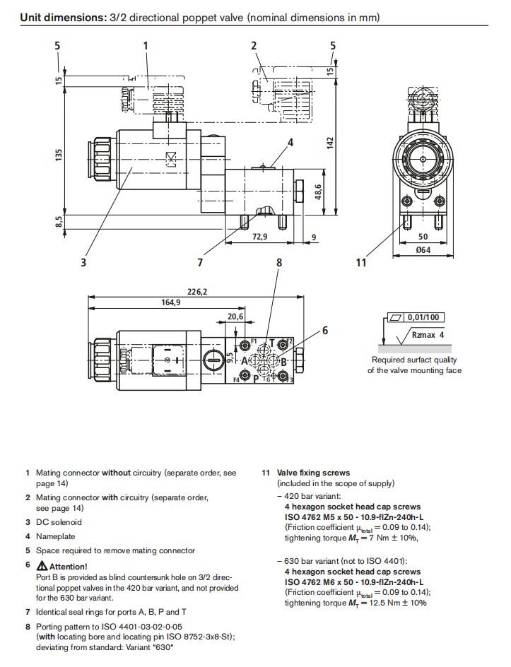
Tamaño:E-3SE6U7X W-3SE6U7X E-4SE6D7X W-4SE6D7X E-3SE6C7X W-3SE6C7X E-4 SE6Y7X W-4SE6Y7XSerie de componentes 7XPresión máxima de funcionamiento 630 barFlujo máximo 25 l/minEmulsión de aceite en agua, agua glicol, aceite mineral=EWater=WCaracterísticas– Válvula de asiento direccional de accionamiento directo con accionamiento de solenoide ción– Patrón de conexiones según ISO 4401-03-02-0-05 (con orificio de localización)– Solenoide de CC con entrehierro– Conexión eléctrica como conexión individual– El puerto está cerrado sin fugas– Funcionamiento confiable incluso cuando está bajo presión durante períodos de tiempo más prolongados.W{{ 33}}SE 6 C7X/420G24N9K4 R901138504W-3SE 6 U7X/420G24N9K4 R901138702E-3SE 6 C7X/420G24N9K4 R901138718E-3SE 6 C7X/630G24N9K4 R901138758E-3SE 6 U7X /630G24N9K4 R901138401


|
Válvula de asiento direccional REXROTH E-3SE6 W-3SE6 E-4SE6 W-4SE6 3/2 y 4/2 con funcionamiento por solenoide, para emulsiones acuosas y agua |








Etiqueta: rexroth e-3se6 w-3se6 e-4se6 w-4se6 3/válvula de asiento direccional 2 y 4/2, con accionamiento por solenoide, para agua emulsiones y agua









